东新诚信通
东新旺铺
中国仪器搜索

热门:酸度计| 电导率仪| 电子天平| 离心机| 水浴锅| phmeter| 振荡器| 搅拌器| 蒸馏水器| 旋转蒸发仪| 电炉| electric cooker| 捣碎机| 干燥箱| oven| 培养箱| 电热板| 粘度计| 显微镜| 真空泵| 浊度仪| 超声波清洗器| 熔点仪| 工作台| 粉碎机| 色谱仪| hygrometer| 电泳仪| 水份测定仪| 蠕动泵| 低温槽| 超级恒温油浴|

 系统分类
系统信息
  我们以超过二十年的专注,执着为您打造可靠 高效的水处理控制系统!  
    

当前位置:首页 >> 联网控制型控制流程

 

全流程污处解决方案供应商--杭州东星仪器设备厂

 

 

简介

单机监控型

监控流程

经典案例

系统配置

联网控制型

监控流程

经典案例2

系统配置2

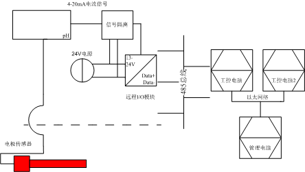
      工控电脑控制系统 联网控制型控制流程图如下所示,pH计控制模块带输出,图中

红色所示部分位于工业现场之中(即虚线下方区域).

     

   

如需了解此系统,直接拨打电话:0571-87960321 13857120392(24小时)跟我们取得联系,服务从优!

东新仪器设备公司: 0571-85126731 联系人: 吴碧莲
东星工厂(分析仪器) :0571-87960321 联系人:周慧颖 沈松娟
水处理系统工程分部 :0571-85122570 13857120392 联系人:来永那
信息系统分部 :0571-85122650 13516722507 联系人:来恩炜
公司邮箱 浙ICP备05074101号